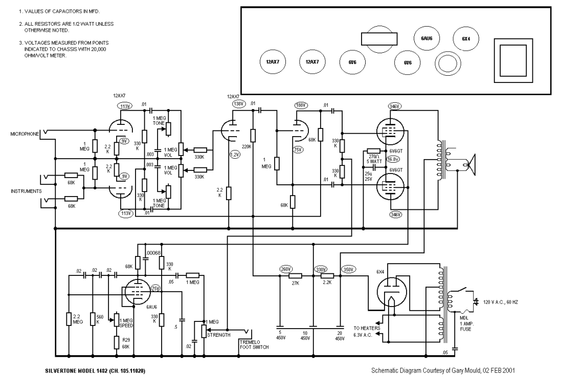
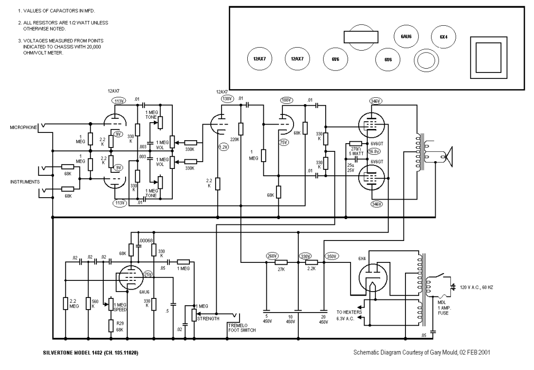
The Silvertone 1482 has a unique charm to it’s sound that I really like. I honestly wouldn’t have modded mine if It hadn’t come to me with issues and a hole drilled in the chassis already. I figured while doing the needed maintenance and repairs I may as well do some reliability and play-ability mods at the same time.
All of the 1/4” jacks needed to be replaced so I decided to rework the instrument inputs to a Fender Hi/Lo style. I also modified the preamp for a little more gain and brightness in that section since these amps tend to sound dark. I left the Mic input and preamp section stock for whenever I want that sound.
To fill the hole in the front panel I opted to add a master volume to get a little more distortion at lower volumes. I did some research and settled on trying a Frondelli master volume. I had heard good things about these online and had wanted to try one in a project. This type of MV uses a dual gang pot wired across the phases where the power tube grid leak resistors normally go. As you turn the pot down the resistance between phases (both connected at the wipers) decreases but the grid leak resistance seen from the power tubes doesn’t. When turned fully up it has no effect at all and acts just as standard grid leak resistors do.
The power tube’s shared cathode resistor was cracked and had been glued back together so I decided to replace it with individual resistor + capacitor pairs for each tube. Stock, this amp has no screen or grid resistors so I added those for tube life’s sake. -SOLD-
Circuit changes



